采用進口食品級PE原料,滾塑一次成型。產品適用于水處理、環保、電子、化工、食品、醫藥、建筑等各行業。
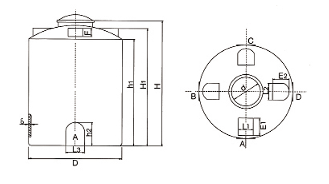
| 型號 | D | H | H1 | h1 | d | h2 | L3 | L1 | E1 | L2 | E2 | F | 配接頭 |
| PT-250L | 680 | 850 | 700 | 670 | 400 | 120 | 120 | 95 | 85 | 110 | 95 | 65 | 1″ |
| PT-300L | 730 | 930 | 780 | 740 | 400 | 130 | 110 | 130 | 120 | 125 | 120 | 70 | 1″ |
| PT-400L | 770 | 1130 | 950 | 890 | 400 | 130 | 120 | 130 | 140 | 130 | 125 | 100 | 1″ |
| PT-500L | 800 | 1350 | 1000 | 950 | 400 | 135 | 120 | 135 | 175 | 145 | 145 | 80 | 1″ |
| PT-800L | 970 | 1280 | 1010 | 950 | 400 | 240 | 210 | 200 | 260 | 210 | 210 | 105 | 1″ |
| PT-1000L | 1070 | 1430 | 1100 | 1050 | 400 | 320 | 260 | 205 | 240 | 230 | 230 | 120 | 2″ |
| PT-1500L | 1320 | 1500 | 1260 | 1200 | 400 | 320 | 285 | 240 | 260 | 230 | 230 | 105 | 2″ |
| PT-2000L | 1320 | 1800 | 1500 | 1450 | 400 | 320 | 320 | 250 | 360 | 270 | 360 | 140 | 2″ |
| PT-3000L | 1580 | 2000 | 1850 | 1750 | 400 | 350 | 340 | 220 | 270 | 240 | 240 | 120 | 2″ |
| PT-4000L | 1880 | 1950 | 1650 | 1600 | 600 | 360 | 350 | 235 | 280 | 260 | 260 | 120 | 2″ |
| PT-5000L | 1880 | 2200 | 1860 | 1800 | 600 | 430 | 380 | 290 | 400 | 290 | 400 | 150 | 2″ |
| PT-6000L | 1880 | 2500 | 2060 | 2000 | 600 | 440 | 420 | 270 | 400 | 270 | 265 | 140 | 2″ |
| PT-8000L | 2300 | 2500 | 2060 | 2000 | 600 | 415 | 420 | 290 | 400 | 300 | 260 | 140 | 2″ |
| PT-10000L | 2300 | 3000 | 2450 | 2400 | 600 | 440 | 420 | 350 | 450 | 350 | 400 | 160 | 2″ |
| PT-15000L | 2700 | 3300 | 2830 | 2780 | 600 | 440 | 420 | 350 | 450 | 350 | 400 | 160 | 2″ |
| PT-20000L | 2850 | 3600 | 3200 | 3000 | 600 | 450 | 420 | 360 | 460 | 360 | 420 | 180 | 3″ |
| PT-25000L | 3200 | 3800 | 3350 | 3100 | 600 | 450 | 420 | 360 | 460 | 360 | 420 | 180 | 3″ |
| PT-30000L | 3400 | 4000 | 3500 | 3200 | 600 | 460 | 430 | 370 | 470 | 370 | 430 | 190 | 3″ |
| PT-40000L | 3400 | 5000 | 4500 | 4200 | 600 | 460 | 430 | 370 | 470 | 370 | 430 | 190 | 3″ |
| PT-50000L | 3400 | 6000 | 5500 | 5200 | 600 | 460 | 430 | 370 | 470 | 370 | 430 | 190 | 3″ |

1.PE水箱材質:韓國現代公司LLDPE(聚乙烯)UR644食品級原材料原生料生產。
2.水箱顏色:可根據客人要求訂做顏色。
3.產品原材料為乳白色顆粒,相對密度0.918-0.939,屬于食品級衛生材料。具有強度高,韌性好,鋼性好,耐熱耐寒等優點,還具有良好的耐環境應力開裂、耐撕裂強度等性能,并可耐酸、堿、有機溶劑等。產品還具有防老化,耐腐蝕,防紫外線等優點。
4.質地堅韌:采聚乙烯(Polyethyline)主要原料,質輕堅韌,搬運簡便,耐震、耐沖擊。
5.耐藥性佳:對各類酸、堿具有極佳之抗腐性。具體耐藥性可查看聚乙烯化學性能表。
6.清潔美觀:外形流線美觀不易臟污,可去除污垢。
7.經濟耐用:桶體一體成型無粘接處,不易破裂。
8.耐熱耐凍:耐熱耐凍性佳,攝氏80 ~-40均可使用。
9.適合地址:高層建筑二次供水、蓄水水處理凈化設備配套工業用冷卻水化工制劑、化工原料、各種油品、飲品的儲存、運輸,城鎮,農村、酒店,賓館,屋頂蓄水。
10.產品使用壽命:一般使用壽命可長達十幾二十年以上!